🎉 3 klipp gratis!
Åpen

Montere dusj

📍 Oslo
📂 Rørleggerarbeid
📅 Publisert 3 timer siden

Beskrivelse

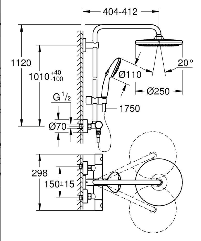
Hjelp til å montere dusj på eldre bad. Det står dusjkabinett der nå, det skal fjernes. Det er i tillegg laget et ekstra utløp under dusjkabinettet. Dette må tettes. Vennligst se bilder av dusjen som skal monteres. Kabinettet er fjernet til du ev kommer. Tusen takk!

Bilder

Montere dusj
Montere dusj
Montere dusj
Montere dusj

Kontaktinformasjon

Bedrift

Full kontaktinfo vises etter kontakt

Søk på stillingen

Søk via MinSmåjobb

Budsjett

Kan avtales

Pris kan avtales

Detaljer

Kategori
Rørleggerarbeid
Lokasjon
Oslo
Status
Åpen
Publisert
15. november 2025